Czy można zintegrować czytnik linii papilarnych z uchwytem drzwiowym
Nowa konfiguracja Czytnika linii papilarnych w pochwytach Wala
Co zrobić w przypadku zapotrzebowania na czytniki w pochwycie do drzwi
Galeria pochwytów z czytnikiem i klawiaturą
Czytnik linii papilarnych w uchwycie Wala
Klawiatura numeryczna w uchwycie Wala
Klawiatura numeryczna w uchwycie Wala
Rozwiązania w pochwytach Wala
Galeria Wala |
|||
|---|---|---|---|
|
|
|
|
|
|
|
|
|
|
|
|
|
|
|
|
|
|
|
|
|
|
|
|
|
|
|
|
|
|
|
|
|
|
|
|
|
|
|
|
|
|
|
|
|
|
Czytniki CMOS w pochwytach
|
|
|
|
|
|
|
|
|
|
|
|
|
|
|
|
|
|
|
|
|
|
|
|
|
|
|
|
|
|
|
|
|
|
|
|
|
|
|
|
|
|
|
|
|
|
F&A
Pytanie: Czy jest możliwość podłączenia dwóch urządzeń (czytnik i klawiatura) w uchwycie drzwiowym?
Odp.: Jest taka możliwość u producenta uchwytów wg schematu podłączenia Kombi. Należy jednak pamiętać, że każde z tych urządzeń będzie korzystać z przepustu kablowego w nóżce uchwytu, więc w tym przypadku przez obydwie nóżki będzie przepuszczony przewód (opisany, do jakiego Blackboxa ma być podpięty). Blackboxy umieszczamy poza uchwytem w miejscu niedostępnym z zewnątrz (w przymyku lub za zamkiem). Jeżeli uchwyt ma mieć jeszcze jakieś dodatkowe funkcje (sensor dotyku, punkty świetlne, doświetlenie progu; podgrzewanie, … ) trzeba będzie zastosować kolejną nóżkę.
Pytanie: czy czytniki Idencom pasują do uchwytu Q10 40 × 40? Tak
Pytanie: Czy jest rekomendowana wysokość umiejscowienia czytnika linii papilarnych w uchwycie drzwiowym Wala?
Wysokość umiejscowienia czytnika linii papilarnych w uchwycie drzwiowym jest
Punkt 1. subiektywna (czy będą go używać np. dzieci lub osoby na wózku inwalidzkim - wtedy niżej). Wizualnie np. na długim pochwycie czytnik umieszczony wyżej prezentuje sie lepiej.
Punkt 2. uzależniona od techn. warunków pochwytu Wala (ile m kabla jest w stanie umieścić w pochwycie?)
Dlatego w tym sensie nie ma rekomendowanej wysokości. Najlepiej ustalić to bezposrednio z prod. pochwytu Wala.
xArchiv
Czytnik linii papilarnych płaski CMOS
Kliknij tutaj, aby rozwinąć...
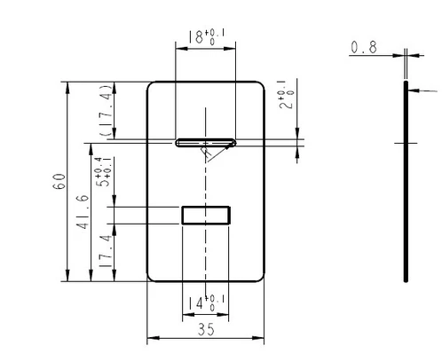
Wymiary
Kliknij tutaj, aby rozwinąć...
PD
Ciekawe linki: https://www.obud.pl/art,25798,kontrola-dostepu-w-pochwytach,d_okna


.jpg%3Fversion=1&modificationDate=1524582120560&cacheVersion=1&api=v2&width=444&height=250?api=v2)



Komentarze
Komentarze: 0
Zaloguj się, aby dodać komentarz.